Greenlee 01062 Valve Relief 50010620/783310010623
Available*
Item # 79997206
Model # 783310010623
$76.09
* Notes on Availability:
If item is in stock, it will ship same day.
Lead times vary, contact us for more info.
(Images may not be of the actual item being sold.)
- Product Description
- You Might Also like
- Recently Viewed
Generic
Class
Group
Type
Manufacturer
LOT
Cutters
Tools
Hand Tools
Cable Cutters
Greenlee Textron
Cable Cutters - Parts
Warning: This product can expose you to chemicals, which are known to the State of California to cause cancer and birth defects or other reproductive harm. For more information, go to www.P65Warnings.ca.govProduct Description
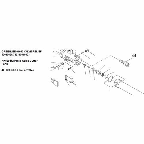
Greenlee 01062 Valve Relief 50010620/783310010623 New
Greenlee 01062 Valve Relief 50010620/783310010623
Hk520 Hydraulic Cable Cutter Parts
44 500 1062.0 Relief Valve
Greenlee 01062 Valve Relief 50010620/783310010623
Hk520 Hydraulic Cable Cutter Parts
44 500 1062.0 Relief Valve












